乐盈llV

全国免费加盟热线:

0577-61787771
prevnext
LMZJ1-0.5互感器
  • 一、概述 本型电流互感器适用于额定频率为50Hz或60Hz、额定电压为0.5KV及以下的电力系统中,作电能计量、电流测量和继电保护用。 二、型号含义 三、主要技术参数 四、外形及安装尺
  • 咨询热线:0577-61787771
推荐产品
  • 产品详情

一、概述

乐盈llV 本型电流互感器适用于额定频率为50Hz或60Hz、额定电压为0.5KV及以下的电力系统中,作电能计量、电流测量和继电保护用。

 

二、型号含义

北成52.jpg

 

三、主要技术参数

北成52.jpg

 

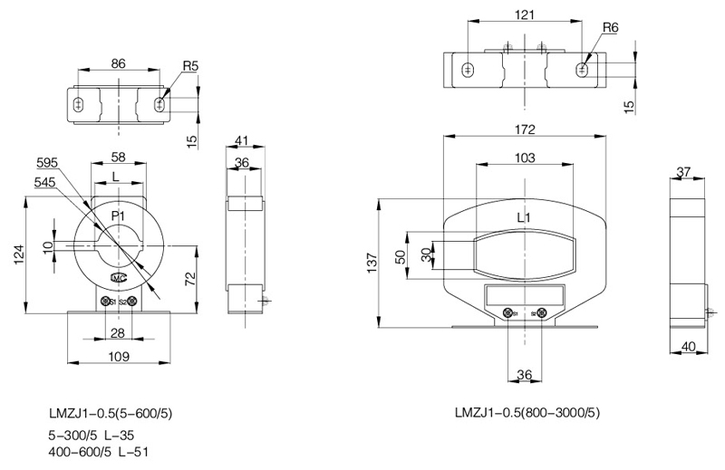
乐盈llV 四、外形及安装尺寸

北成52.jpg

咨询:LMZJ1-0.5互感器
* 为必填项

  • *
返回顶部
线
qq
在线客服:
客服一
微信
微信:
微信二维码
微信
微信:
微信二维码
联系热线
咨询热线:
0577-61787771
香港六玄开奖网-六玄网132432-六玄神马开奖44579-六玄公式6588777-六玄神马免费中特料-澳彩六玄网论坛6258cmcc 辉耀彩 - 首页 澳门灵蛇网4949-香港灵蛇网论坛资料大全最新-灵蛇网4846cc最新版本更新内容-灵蛇网4668cc-灵蛇澳门2025年今晚看 祥顺彩票|主页 灵蛇澳门2025年今晚看-灵蛇网4846cc-灵蛇网免费资料大全--灵蛇网4846cc最新版本更新内容-澳门灵蛇网4949 天游8线路检测中心|欢迎您