一、概述
LZJC(D)-10型浇注绝缘支柱式电流互感器,供额定频率为50Hz、额定电压为10kv的电力系统中作电流、电能测量和继电保护用。
二、型号含义

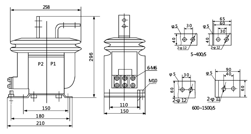
三、结构简介
本型互感器一次绕组及二次绕组用环氧树脂浇注成型,铁芯用夹件装在绝缘浇注体上,夹件上有名牌、夹件的底脚有四人安装孔。
四、使用条件
海拔高度不超过1000m;
乐盈llV 周围环境温度不高于:+40℃,不低于-5℃;
乐盈llV 周围空气的相对湿度不大于80%(20℃);
本产品已通过直接振动试验,能承受住相当于里氏九级裂度的加速度为0.4g正弦三波的耐振试验。
五、技术参数

六、外形及安装尺寸


