一、用途
乐盈llV LAJ-10Q型浇注绝缘母线式电流互感器,供额定频率为50Hz额定电压为10KV的电力系统中作电流,电能测量和继电保护用。
二、型号含义

三、使用条件
乐盈llV 1、 设备种类:户内装置
2、 环境温度为-5℃--+40℃;
乐盈llV 3、 安装地点的海拔高度不超过1000m;
4、 空气相对湿度为85%;
乐盈llV 5、 在无爆炸无剧烈震动、无腐蚀金属和破坏绝缘的尘埃或蒸汽的场所。
6、 系统接地方式:中性点非有效接地系统
四、额定值

五、性能要求
1、误差限值
测量级,在负荷为额定负荷25%-100%之间的任何一值时,其额定频率下的电流误差和相位差不超过表2所列限值。保护级,在额定负荷下其电流误差和复合误差应不超过表2所列限值,其相位不规定。确定电流误差和相位差的负荷,其功率因素为0.8(滞后)确定复合误差的试验用负荷,其功率因素在0.8-1.0之间。

2、温升限值
乐盈llV 互感器在一次电流为额定连续热电流(额定一次电流)和连接额定负荷连续工作时,其绕组温升不超过55K,绕组出头处或接触连接处温升不超过50K。
3、绝缘水平
互感器的一次绕组应能承受短时工频耐压为32kV,试验时间为1分钟。
3.1、互感器的二次绕组之间及其对地的绝缘水平应能承受工频耐压为3kV,一分钟
3.2、互感器段间,匝间绝缘要求应能符合GB1208-1997第4.3.6、4.3.8之规定。
乐盈llV 4、 局部放电水平:互感器的视在放电量为20Pc。
5、 互感器的一次绕组应能承受标准雷电冲击试验,试验电压为60Kv。
六、结构要求
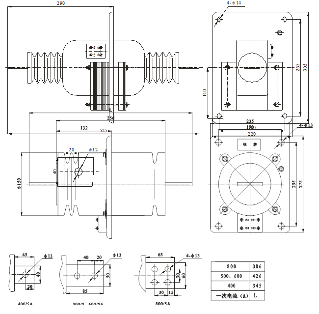
乐盈llV 本型互感器为单匝贯穿式结构的全封闭浇注产品,二次绕组和一次绕组一起用环氧树脂脂浇注绝缘,浇注体中部有安装板,其上有铭牌,接地螺栓及四个安装孔,可供固定式开关柜中穿墙安装。
七、使用和维护
乐盈llV 1.安装使用前应检查产品绝缘及接地螺栓接地是否良好。
2.产品的任何一个二次绕组均不允许开路,所连接的仪表回路中要经常检查每一连接点是否松动现象,否则将在二次回路中产生高压危及人身和设备安全,如果说其中一个二次绕组暂时不用则应将二次出线端子短接。
乐盈llV 3.产品应经常保持清洁,定期将产品从线路中隔离,拭去灰尘和杂物,如发现环氧树脂浇注体有裂缝时应着手做绝缘试验,并彻底检查产品内部有无故障发生,及时加以处理。
乐盈llV 4.产品经长期停用或储藏,欲再度使用时必须检查绝缘是否良好,不符合要求的不能使用。
八、外型及安装尺寸


