一、概述
乐盈llV 本型电流互感器为全封闭绝缘产品,适用于额定频率50Hz或60Hz、额定电压为35KV及以下的电力系统中,作为电能计量、电流测量和继电保护用。本产品符合IEC44185及GB1208-2006《电流互感器》。
二、型号含义

三、技术参数
产品性能符合标准:GB1208和IEC185;
乐盈llV 额定绝缘水平:40.5/95/185kv;
负荷功率因数:cosφ=0.8(滞后);
乐盈llV 额定二次电流:5A或1A;
仪表保安系统:Fs≤10;
污秽等级:IV级

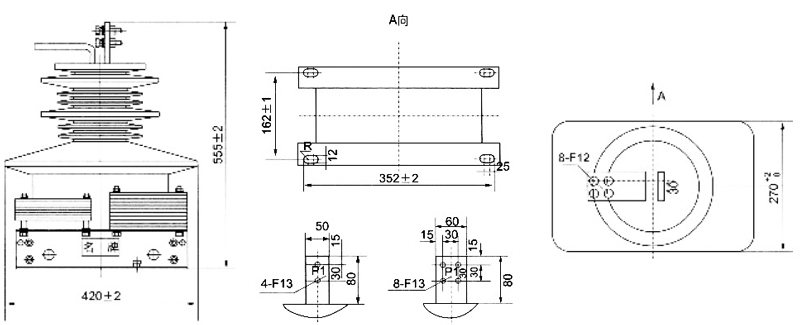
乐盈llV 四、外形及安装尺寸


