一、概述
LQZJ-10型电流互感器是用环氧树脂浇注的全封闭式电流互感器,供户内频率为50Hz、10KV及以下电力系统作电流、电能测量及继电保护用。
二、型号含义

三、技术参数
额定电压:10KV
额定频率:50Hz、60Hz
额定一次电流:5、10、15、20、30、40、50、75、100、150、200、300、400A
乐盈llV 额定二次电流:5A或1A
级次组合:0.5/10P
额定绝缘水平:12/42/75kv
乐盈llV 准确级次及相应的额定输出、额定短时电流见表;

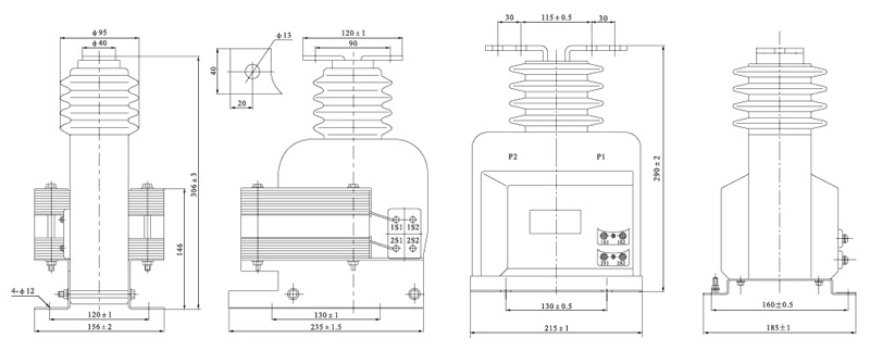
乐盈llV 四、外形及安装尺寸


