一、概述
本型电压互感器外环氧树脂浇注全封闭机构。适用于额定电压10KV及以下,额定频率50Hz的线路及其设备中,作电压、电能的测量和继电保护之用。
本型互感器最大特点是一次仅有增加熔断器保护,从而互感器的安全性提高了。如果装在开关柜内,可以不必再另配熔断器,节省了大量的空间,开关柜的成本可以降下来。而且熔断器更换非常方便,直接可装入互感器内部,熔断器的熔断电流与互感器的短路电流相配,有效地保护互感器电网出现故障时不烧毁。
二、型号含义

三、主要技术参数
●产品性能符合标准:GB1207-2006和IEC168;
乐盈llV ●额定绝缘水平:12/42/75kV
●额定频率:50Hz或60Hz;
乐盈llV ●环境温度:-5℃~+45℃

乐盈llV 注:如用户要求的参数超出花式虐狗表范围,可与我厂协商后确定。额定输出及相应的准确仅符合其中一项。
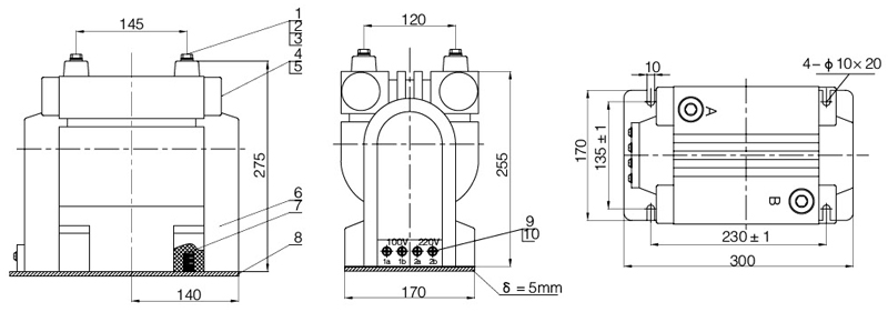
四、外形及安装尺寸


