乐盈llV

全国免费加盟热线:

0577-61787771
prevnext
LZW32-10户外真空专用电流互感器
  • 本系列电流互感器为户外是指浇注绝缘产品,适用于额定频率为50Hz或60Hz额定电压10kV及以下电力系统线路中作电流、电能、功率测量或继电保护用(户外装置)。
  • 咨询热线:0577-61787771
推荐产品
  • 产品详情

一、概述

乐盈llV 本系列电流互感器为户外是指浇注绝缘产品,适用于额定频率为50Hz或60Hz额定电压10kV及以下电力系统线路中作电流、电能、功率测量或继电保护用(户外装置)。

 

二、型号含义

户外真空专用电流互感器型号含义

 

三、主要技术参数

户外真空专用电流互感器技术参数

 

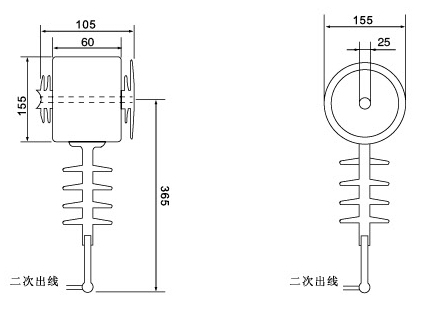
四、外形及安装尺寸

户外真空专用电流互感器安装尺寸

咨询:LZW32-10户外真空专用电流互感器
* 为必填项乐盈llV

  • *
返回顶部
线
qq
在线客服:
客服一
微信
微信:
微信二维码
微信
微信:
微信二维码
联系热线
咨询热线:
0577-61787771
香港六玄开奖网-六玄网132432-六玄神马开奖44579-六玄公式6588777-六玄神马免费中特料-澳彩六玄网论坛6258cmcc 辉耀彩 - 首页 澳门灵蛇网4949-香港灵蛇网论坛资料大全最新-灵蛇网4846cc最新版本更新内容-灵蛇网4668cc-灵蛇澳门2025年今晚看 祥顺彩票|主页 灵蛇澳门2025年今晚看-灵蛇网4846cc-灵蛇网免费资料大全--灵蛇网4846cc最新版本更新内容-澳门灵蛇网4949 天游8线路检测中心|欢迎您