一.测量用电流互感器接线方法
1.普通电流互感器接线图
普通电流互感器的一次侧从P1侧进线,P2侧出现;
二次侧电流自S1端子流出经过电流表回到S2端子。需要注意这几点事项:二次侧严禁开路;二次侧S2端子原则上可靠接地。
2.穿心式电流互感器接线图
穿心式电流互感器一次侧从P1侧进线,P2侧出线;
二次测电流自S1端子流出经过电流表回到S2端子。需要注意以下这几点事项:二次侧严禁开路;二次侧S2端子上可靠接地。
二.电流互感器接线图
电流互感器接线总体分为四个接线方式:
1.单台电流互感器接线图

单台电流互感器接线图只能反映单相电流的情况,因此适用于需要测量单相电流或者三相负荷平衡,通过测量一相电流的情况来可知三相的情况。
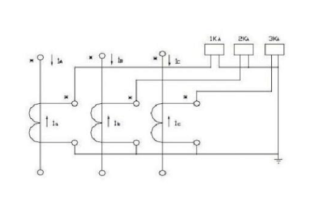
2三相完全星形接线和三角形接线形式电流互感器接线图

由于三相电流互感器能够精准的了解系统中的三相符合的变化情况,因此大多应用在变压器差动保护接线中。这种接线方式能够直接问反应线路中各种类型的相间短路,也能反应单相接地短路。
3.两相不完全星形接线形式电流互感器接线图

两相不完全星形接线图显示的接线方式在实际工作中使用的多,主要用于中性点不接地系统,以作相间短路保护之用。
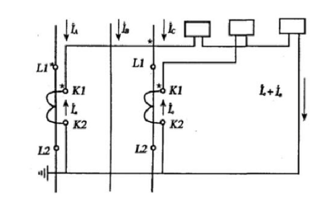
4.两相差电流接线形式电流互感器接线图

特点是可节省一快电流互感器,可反应电路中的相间短路。但是缺点很明显,保护灵敏度低,目前已经很少使用。
以上内容来自电流互感器厂家-九易电力为您整理提供,购买电力互感器,可联系九易电力!