以下是电流互感器的几种接线方法:

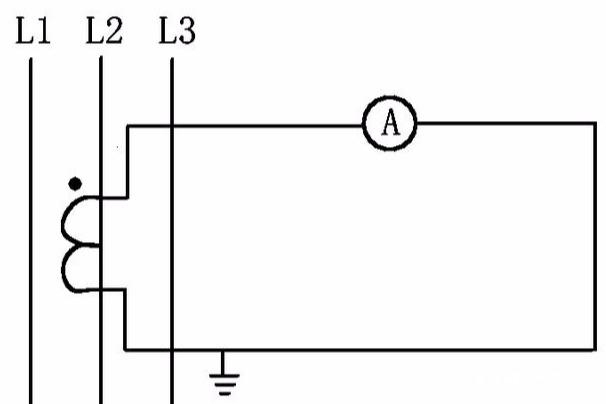
A
图A,一台互感器接线,主要用于测量对称三相电路中线路上的电流。

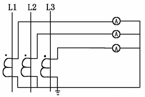
B
图B,三台互感器星形接线方法,可测量对称和不对称三相电路(包括三相四线)中线路上的电流。

C
图C,两台互感器V形接线方法,测量对称和不对称三相三线电路中线路上的电流。三相电流矢量和为零,所以下面电流表测量的是未装互感器那相的电流。此接法也可用于继电保护接线,但灵敏度低。

D
图D,两台互感器电流差接线法,用于线路、电机、并联电容器的继电保护接线,灵敏度较高。

