一、概述
JDX-35型电压互感器为户外用油浸式全密封型电压互感器,适用于35千伏、额定频率为50赫兹的交流电力系统中作电压、电能测量及继电保护之用。
二、产品型号及含义:

三、使用条件
1 环境温度:最高气温+40℃;日平均气温不超过+30℃;最低气温-30℃。
乐盈llV 2 海拔:不超过1000米。
乐盈llV 3 大气条件:大气中无严重影响互感器绝缘性能的污秽及浸蚀性和爆炸性介质。
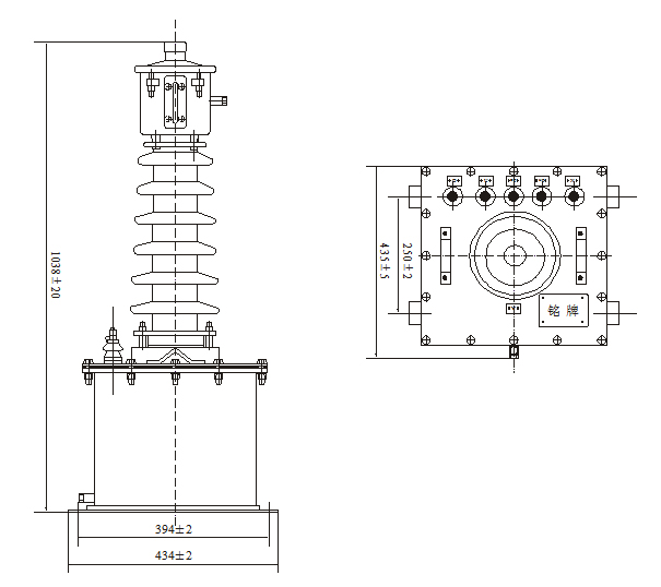
四、结构
本型互感器的铁芯由条形硅钢片叠成,为三柱芯式,在中柱上套有绕组,分三个线圈(一次、二次及剩余电压)。剩余电压线圈绕在绝缘纸筒上,外包纸板后,绕二次线圈,再外包绝缘纸板,最外面是一次线圈,一镒绕组A端出线为全绝缘,N端接地,器身起互感器的吊攀。在瓷套顶端装有储油柜。下油箱下部装有油样活门,支座上装有接地螺栓,产品为密封性较好,能有效地防上油老化。
五、技术参数
1、技术数据

乐盈llV 注:额定输出功率因数COSΦ=0.8(滞后)。
2、在额定频率及一次电压为80%-120%。额定一次电压之间的任一电压,二次负荷25%-100%额定二次负荷之间任一数值下,互感器二次绕组的电压误差和相位差不超过表2所列要求。
乐盈llV 二次绕组还应在剩余电压绕组带有25%-100%额定负荷下满足3P准确级要求,电压
乐盈llV 误差和相位差不超过表3所列限值。

乐盈llV 3、定频率且功率因数为0.8(滞后),当负荷为25%-100%。额定负荷的任一值时,剩余电压绕组电压误差和相位差应不超过表3所列限值。

4、绝缘水平
4.1、短时工频耐受电压
乐盈llV a、一次绕组内、外绝缘(干式与湿式)为80kV(有效值)。
b、一次绕组接地端对地为5kV(有效值)。
c、二次绕组与剩余电压绕组之间及各绕组对地为2kV(有效值)。
4.2、额定雷电冲击耐受电压
a、标准雷电冲击全波(内、外绝缘)为185/200kV(峰值)。
乐盈llV b、标准雷电冲击截波为220kV(峰值)。
4.3、温升
乐盈llV 在二交绕组接有1000VA的负荷,功率因数为0.8(滞后)至1之间的任一数值时(此时剩余电压绕组开路),一次绕组施加1.2倍额定一次电压连续进行试验,直到互感器温度达到稳定为止。其各部分的温升不超出表4所列数值。

4.4、待上述正常温升试验达到稳定状态后,立即在二次绕组接有极限输出负荷,剩余电压绕组接有额定负荷,对一次绕组施加1.9倍额定电压试验8小时,其温升不比表4所列规定值高出10K。
六、使用及维护
乐盈llV 1 安装使用前应检查产品绝缘及接地螺丝接地是否接触良好;
2 电流互感器在运行时,必需定期进行检查,抹去产品上的尘埃,如发现环氧树脂浇注有裂缝时,应进行工频耐压试验,并检查产品内部有无故障发生,及时加以处理;
乐盈llV 3 电流互感器在运时,二次线圈不能开路,并经常检查二次接线端子是否接触良好;
乐盈llV 4 产品长期存放后,要再度使用时必须检查绝缘是否良好,不合格时不能使用。
七、安装尺寸


